|
|
USB-FSIOとは
USBインターフェイスを使った入出力基板で、デジタル入出力、10bit A/D変換 アナログ入力、PWM制御が行える入出力基板です。
USB 2.0(FullSpeed)で入出力制御を行います。
デジタル入出力最大19ピン、アナログ入力最大5Ch、PWM制御最大5Chが利用可能です。
モーター、RCサーボ、LED調光が簡単に行えます。
1回の命令で複数の出力が出来るようになり、効率的に信号送信が可能です。
62Byteのユーザー用フラッシュロムを利用すれば、シリアル番号の登録やセキュリティーデバイスも作成可能です。
(2019/07/14) マイコンが変更により、発振子が12MHzになりました。機能に変更はありません。
(2012/04/10) 簡易オシロ機能を追加しました。最大約5KHzのデジタル入力と、最大約3KHzのアナログ入力が可能です。
(2011/09/28) カウンタ機能を追加しました。Max50MHzの32Bitカウンタを2チャンネル実装しています。
カウンタ入力を設定すると、J1-4(チャネル1)、J3-0(チャネル2)のピンがカウンタ入力ピンになります。
(2011/07/19) USB-FSIO(KIT)の基板を改良しました。
C1のコンデンサを横に倒せるよう変更、GNDとVCCを入出力ピンの配列に追加、フリースペースを拡張。
USB-FSIOの使い方
・USB-FSIOは入出力の設定が必要ですので最初に入出力設定の書き込みを行います。
・USB-FSIOの入出力の設定のデフォルトは、アナログ入力5チャンネル、ポート1ピン4,ポート2,3出力、内蔵プルアップ利用しない、PWM未設定です。
・USB-FSIOの出力は、出力ピンからソース電流が出力されます。
各ピン最大25mAの出力が可能ですがマイコンの出力電流が最大200mAなので超えないよう注意が必要です。
・USB-FSIOの入力はポート2の場合、内部プルアップを利用することが選択可能ですのでGNDとショートするだけで利用可能です。
制御ソースと利用例はこちらから。
(2010/05/25)サーボ制御・LED調光・アナログ入力の制御ソースと利用例はこちらから。
|

|
USB-FSIOの作り方
USB-FSIOはキットでの販売なので、自分で組み立てる必要があります。
作り方はとっても簡単。各部品をはんだ付けするだけです。
写真の通りに基板に部品をはんだ付けしましょう。
基板下と右のJ4,J5はフリースペースとなっているので、パーツを乗せることが可能です。
注意点
円筒の電解コンデンサには方向性があります。足の長い方が+です。足の長い方を基板のC1の+へ入れます。
マイコンは基板に書かれている切れ込みと合わせて入れてください。
※キットに付属している部品は写真の部品のみです。
部品一覧
組み立て完了写真(拡大)
USB-MiniB(スルーホールタイプ) 取付例
※弊社では現在USB-MiniBを取り扱っていませんので別途入手してください。
※USB-MiniBの場合、足の規格が複数あります。秋月電子様で2010/05月現在取り扱っている4本足のコネクタの場合、赤丸部分の足を曲げれば取り付け可能です。
USB-FSIO 仕様
| 項目 | 値 |
| 出力電圧 | 5V |
| 1ピン最大出力電流 | 25mA |
| 1ポート最大出力電流 | 200mA |
| 全ポート最大出力電流 | 200mA |
| アナログ入力電圧 | 0〜5V |
| 10Bitアナログ分解速度 | USB-FSIOのデータ転送速度に依存するため300Hz程度
※簡易オシロ時を除く |
| アナログ変換インピーダンス | 10KΩ以下推奨 |
| PWM制御時間 | 66.83us単位(微調整可) |
| 簡易オシロ | 最大8チャンネル
デジタル入力最大約5KHz アナログ入力最大3KHz |
| カウンタ | チャネル1 Max50MHz 32Bitカウンタ プリスケーラ1〜256
PWMと併用不可 カウントエッジ選択可
チャネル2 Max50MHz 32Bitカウンタ プリスケーラ1〜8
PWMと併用可 カウントエッジHigh to Lowのみ
|
| カウンタ周波数 | 1000/(123/プリスケーラ)MHz (MAX50MHz)
1:最大約8MHz, 2:最大約16MHz, 4:最大約32MHz, 8〜:最大約50MHz |
| 温度条件 | 0〜75℃ 結露しないこと |
| 単体消費電流 | 約40mA |
| サイズ | 2800mil x 1900mil (約 71x48mm) |
| VendorID | 0x1352 (Km2Net) |
| ProductID | 0x0110 (USB-FSIO Ver1.0)
REV_0002からカウンタ機能実装 |
USB-FSIO 入出力仕様
| | ポート1 | ポート2 | ポート3 |
| ピン0 | アナログ入力チャネル1 or デジタル入出力 | デジタル入出力 | デジタル入出力 or PWMチャネル1 or カウンタチャネル2 |
| ピン1 | アナログ入力チャネル2 or デジタル入出力 | デジタル入出力 | デジタル入出力 or PWMチャネル2 |
| ピン2 | アナログ入力チャネル3 or デジタル入出力 | デジタル入出力 | デジタル入出力 or PWMチャネル3 |
| ピン3 | アナログ入力チャネル4 or デジタル入出力 | デジタル入出力 | デジタル入出力 or PWMチャネル4 |
| ピン4 | デジタル入出力 or カウンタチャネル1 | デジタル入出力 | デジタル入出力 or PWMチャネル5 |
| ピン5 | アナログ入力チャネル5 or デジタル入出力 | デジタル入出力 | − |
| ピン6 | − | デジタル入出力 | − |
| ピン7 | − | デジタル入出力 | − |
USB-FSIOコマンド概要
| コマンド | 内容 |
| 0x20 | デジタル入出力 |
| 0x21 | デジタル出入力 |
| 0x22 | 連続出力 1回の命令で最大15回出力が可能 |
| 0x2A | アナログ入力 1回の命令で最大5チャンネル読取り可能 |
| 0x40 | PWM間隔設定(Period) |
| 0x41 | PWM出力設定(Duty) |
| 0x42 | PWM出力ON/OFF 簡易オシロON/OFF |
| 0x44 | 簡易オシロ設定 |
| 0x45 | 簡易オシロ入力 |
| 0x4A | カウンタ入力 |
| 0xF0 | ユーザー用フラッシュロム読込み(62Byte) |
| 0xF1 | ユーザー用フラッシュロム書込み(62Byte) |
| 0xF8 | システム設定用フラッシュロム読込み(62Byte) |
| 0xF9 | システム設定用フラッシュロム書込み(62Byte) |
USB-FSIO システム設定データ初期値
[ ]内デフォルト
0:アナログ入力チャネル数[5]
1:ポート2:Bit0 プルアップ [1:無効] 0:有効
2:
3:
4:ポート1:入力ピン設定 [0b00101111]ビットONが入力ピン
5:ポート2:入力ピン設定 [0b00000000]ビットONが入力ピン
6:ポート3:入力ピン設定 [0b00000000]ビットONが入力ピン
7:
8:ポート1:初期出力設定 [0b00000000]
9:ポート2:初期出力設定 [0b00000000]
10:ポート3:初期出力設定 [0b00000000]
11:
12:パルス割込タイミング 式 (1158-n*4)*(4/48)
n:[0x59]=66.83us ※nは3の倍数-1を指定
13:PWM利用 1:PWM利用 [0:PWM未使用]
14:カウンタチャネル1 [0b00010010]
Bit0=ON/OFF
Bit1=エッジ 1:high to low 0:low to high
Bit4-7=プリスケーラ 1:1 2:2 3:4 4:8 5:16 6:32 7:64 8:128 9:256
15:カウンタチャネル2 [0b00010000]
Bit0=ON/OFF
Bit4-7=プリスケーラ 1:1 2:2 3:4 4:8
|
USB-FSIO リンク集
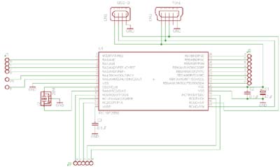
USB-FSIO回路図
回路図拡大
法人向けサービスとして入出力仕様のカスタマイズも可能です。
お問い合わせはメールで webadmin@km2net.com
|